Shanghai Biezhong Industrial Co.,Ltd
别众流体解决方案网
电话:021-59885350
邮箱:mgd@biezhong.cn
2025年10月20日 星期一
首页
公司简介
产品中心
应用案例
产品知识
联系我们
搜索
搜索:
产品类别
美国 – Swagelok世伟洛克
以色列 – Ham-let哈姆雷特
美国 – Tescom调压阀
美国 – Autoclave
美国 – Exxon Mobil美孚
美国 – HIP High Pressure
美国 – Parker派克
美国 – ASCO电磁阀
美国 – Bosch Auto Parts
美国 – Cole Parmer计量泵
美国 – Eaton伊顿液压
美国 – Eaton伊顿过滤
美国 – Honeywell霍尼韦尔
美国 – OMEGA
美国 – PHD
美国 – TELEDYNE ISCO
美国 – 3M
德国 – Castrol嘉实多
德国 – Kluber克鲁勃
德国 – FAG轴承
德国 – Fuchs福斯
德国 – Hydac贺德克
德国 – Rexroth力士乐
德国 – Siemens西门子
德国 – WIKA威卡
瑞典 – Sandvik山特维克
瑞典 – Nord-lock密封
意大利 – ATOS阿托斯
法国 – DELTA PLUS代尔塔
日本 – 抗菌研究所
日本 – Daiwa大和安全锁
日本 – Kyowa 共和传感器
日本 – Nichibei日米润滑泵
日本 – FLUKE福禄克
日本 – Cupla日东工器
日本 – Yamada隔膜泵
韩国 – 源录泵业
韩国 – 机床润滑泵
韩国 – 机床泵
Delta 台达
别众水泵
别众磁力泵
别众齿轮油泵
高压齿轮泵
净化过滤设备
日本 – 三键
日本 – 信越
日本 – 出光
产品展示
|
Products
首页
>>
产品展示
>>
美国 - Parker派克
>>
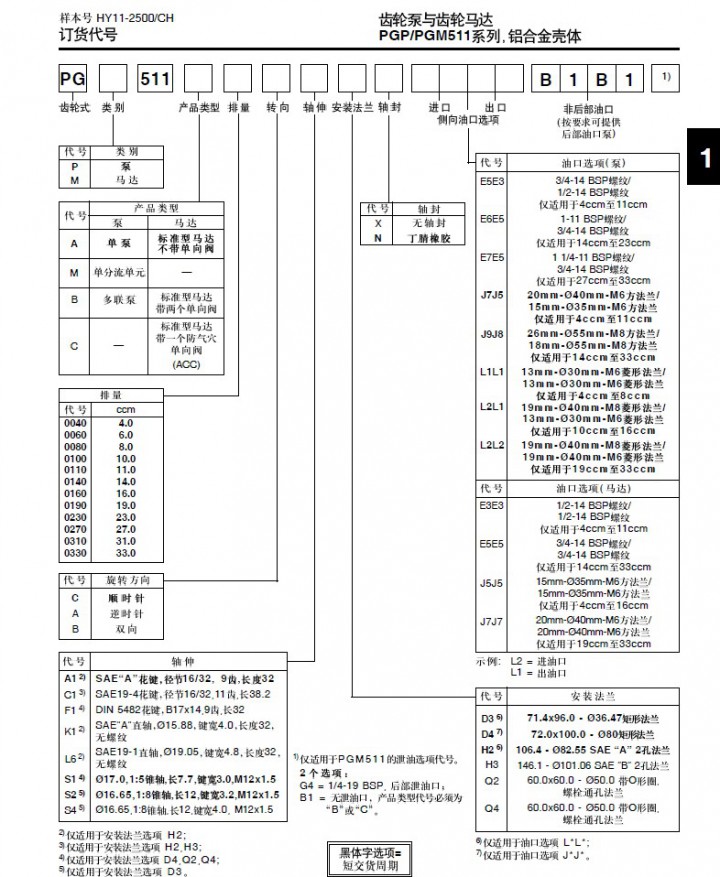
Parker PGP-PGM500系列铝合金壳体齿轮泵与齿轮马达
Parker PGP-PGM500系列铝合金壳体齿轮泵与齿轮马达